• Предмет: Физика
  • Автор: malinka7731
  • Вопрос задан 2 года назад

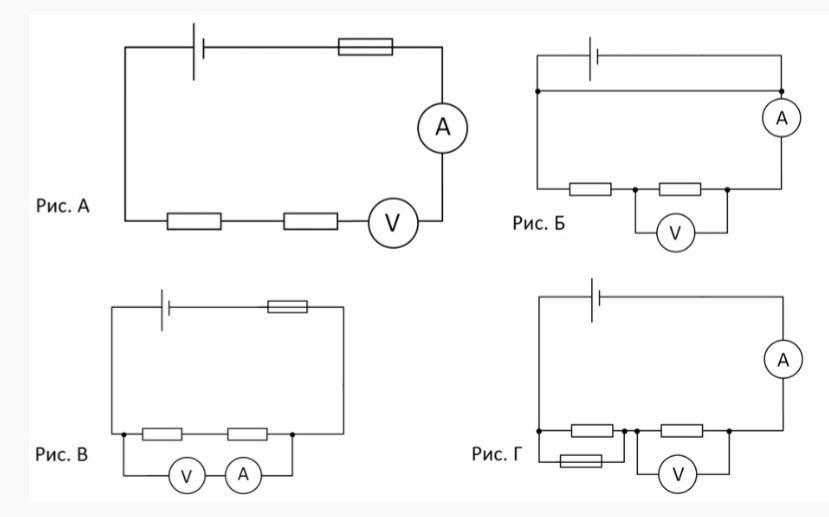
Пожалуйставідповідність між рисунком (1-4) і помилкою у схемі (А-Д).

1) Рис. А

2) Рис. Б

3) Рис. В

4) Рис. Г


А) Неправильно підключений плавкий запобіжник

Б) Неправильно підключений амперметр

B) Неправильно підключені амперметр і вольтметр

Г) Коротке замикання

Д) Неправильно підключений Вольтметр

Приложения:

Ответы

Ответ дал: cvb115
2

Ответ:

На фото_____________

Объяснение:

Приложения:
Вас заинтересует