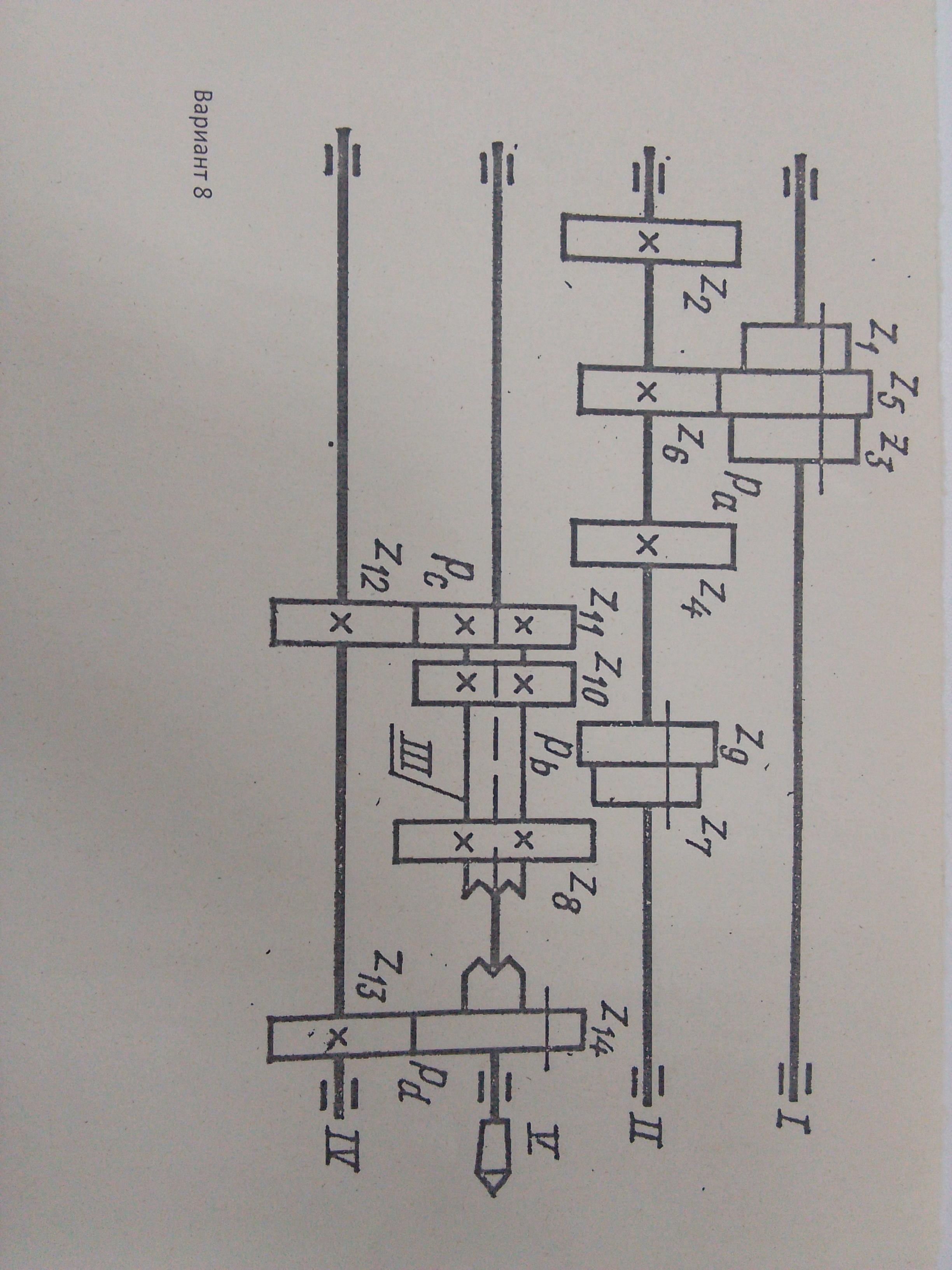
Ответьте на следующие вопросы: 1. Как осуществляется передача вращательного движения от электродвигателя на вал I? 2. Сколько шестеренчатых блоков имеется на схеме? 3. Сколько валов присутствуют на схеме? 4. Какие типы подшипников даны на схеме? 5. Прочитайте схему, определив названия всех элементов от 1 до 6. дам 40 баллов
Приложения:

Ответы
Ответ дал:
0
Ответ:
1. Передача вращательного движения от электродвигателя на вал I осуществляется с помощью зубчатой передачи, где одна из шестеренок на валу электродвигателя взаимодействует с другой шестеренкой на валу I.
2. На схеме имеется два шестеренчатых блока.
3. На схеме присутствуют два вала: вал электродвигателя и вал I.
4. На схеме не указаны конкретные типы подшипников. Типы подшипников могут быть различными в зависимости от конструкции и назначения элементов.
5. Названия элементов на схеме от 1 до 6:
1. Электродвигатель
2. Шестеренка на валу электродвигателя
3. Вал электродвигателя
4. Шестеренка на валу I
5. Шестеренчатый блок
6. Вал I
Пожалуйста, уточните, если у вас есть дополнительные вопросы или нужна дополнительная информация.
Вас заинтересует
1 год назад
1 год назад
1 год назад
2 года назад
2 года назад
8 лет назад