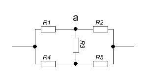
Даю все баллы. Визначити загальний опір кола, показаного на схемі. Опір кожного
окремого резистора 3 Ом.
Приложения:

555ai555:
здесь нужно преобразование звезды в треугольник. (не школа)
Ответы
Ответ дал:
2
Ответ:
Объяснение:
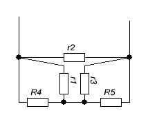
Для лучшего восприятия перерисуем схему
преобразуем звезду в треугольник относительно точки а
r1 = R1+R2 + R1*R2 / R3 = 3+3+ (3*3/3) = 9 Ом
r2 = R1+R3 + R1*R3 / R2 = 3+3+ (3*3/3) = 9 Ом
r3 = R2+R3 + R2*R3 / R1 = 3+3+ (3*3/3) = 9 Ом
Найдем эквиваленты сопротивлений
r14 = R4*r1 / (R4+r1) = 3*9 / (3+9) = 2.25 Ома
r35 = R5*r3 / (R5+r3) = 3*9 / (3+9) = 2.25 Ома
r1435 = r14+r35 = 2.25+2.25 = 4.5 Ом
R = r2*r1435 / (r2+r1435) = 9*4.5 / (9+4.5) = 3 Ома
Приложения:


Вас заинтересует
1 год назад
1 год назад
1 год назад
2 года назад
2 года назад
8 лет назад