• Предмет: Физика
  • Автор: Vladosik334
  • Вопрос задан 2 года назад

Нужно решить, помогите пожалуйста

Приложения:

Ответы

Ответ дал: alexshor
0

Ответ:

I₁ ≈ 1,89 A; I₂ ≈ 2,56 A; I ≈ 4,45 A.

Объяснение:

Дано:

E₁ = 72 В

E₂ = 42 В

R₀₁ = 1 Ом

R₀₂ = 1 Ом

R₁ = 23 Ом

R₂ = 5 Ом

R₃ = 4 Ом

R₄ = 2 Ом

I - ?

I₁ - ?

I₂ - ?

———————————————

Первый закон Кирхгофа: Сумма всех токов, втекающих в узел, равна сумме всех токов, вытекающих из узла.

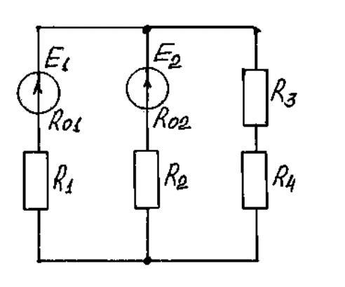
Обозначим узел А на схеме (см. вложение). Cогласно первому закону Кирхгофа для узла А:

I = I_1 + I_2

Второй закон Кирхгофа: Алгебраическая сумма ЭДС, действующих в замкнутом контуре, равна алгебраической сумме падений напряжения на всех резистивных элементах в этом контуре.

Обозначим два контура 1. и 2. Для каждого контура по второму закону Кирхгофа:

1.:

E_1 - E_2 = I_1R_{01} + I_1R_1 - I_2R_{02} - I_2R_2

или:

E_1 - E_2 = I_1(R_{01} + R_1) - I_2(R_{02} + R_2)

2.:

E_2 = I_2R_{02} + I_2R_2 + IR_3 + IR_4

или:

E_2 = I_2(R_{02} + R_2) + I(R_3 + R_4)

Получили систему из трех уравнений с тремя неизвестными (I, I₁ и I₂):

\begin{cases}I = I_1 + I_2 \\E_1 - E_2 = I_1(R_{01} + R_1) - I_2(R_{02} + R_2) \\E_2 = I_2(R_{02} + R_2) + I(R_3 + R_4)\end{cases}

Подставляем известные данные:

\begin{cases}I = I_1 + I_2 \\30 = 24I_1 - 6I_2 \\42 = 6I_2 + 6I\end{cases}

Разделим 2 и 3 уравнения на 6, а из первого I = I₁ + I₂ подставим в третье:

\begin{cases}5 = 4I_1 - I_2 \\7 = I_1 + 2I_2\end{cases}

Умножаем первое уравнение на 2 и складываем со вторым:

17 = 9I_1

I_1 = 17/9 \approx 1,89 \ A

Из второго:

I_2 = 4I_1 - 5 = 4 \cdot 1,89 - 5 \approx 2,56 \ A

I = I_1 + I_2 \approx 4,45 \ A

#SPJ1

Приложения:
Вас заинтересует