Допоможіть, будь ласка. Не можу розв'язати, заплутався.
Дані:
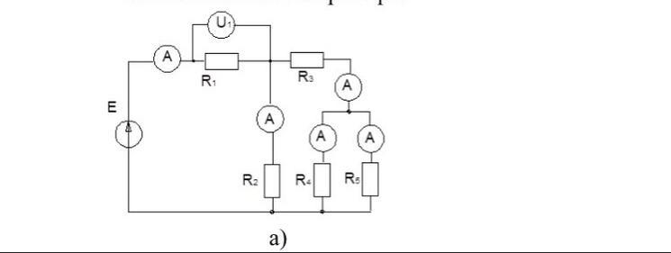
E=80B R1=4 Om R2=10 Om R3=4 Om R4= 3 Om R5=5 Om
Я вже втомився все це робити, нічого не виходить. Допоможіть, будь ласка.
Приложения:

умныро:
Помогите пожалуйста ребят
Ответы
Ответ дал:
0
Сначала свернём цепь и наадём экв.:
R4.5=6om, R3+R4.5+R6=15om=Ra,
R02=1/ 1/R2+1/Ra=60m, RakB=R1+R02=4+6=100m,
U=|экв=8*10=80в,
Разворачиваем цепь: напряжение в точках ав: Uab=48в(резистор R2)
13=16=48/15=3.2a, U6=3.2*5=16в
R4.5=6om, R3+R4.5+R6=15om=Ra,
R02=1/ 1/R2+1/Ra=60m, RakB=R1+R02=4+6=100m,
U=|экв=8*10=80в,
Разворачиваем цепь: напряжение в точках ав: Uab=48в(резистор R2)
13=16=48/15=3.2a, U6=3.2*5=16в
Вас заинтересует
1 год назад
1 год назад
1 год назад
1 год назад
2 года назад
2 года назад
8 лет назад