Ответы
Ответ дал:
3
Відповідь:
Пояснення:
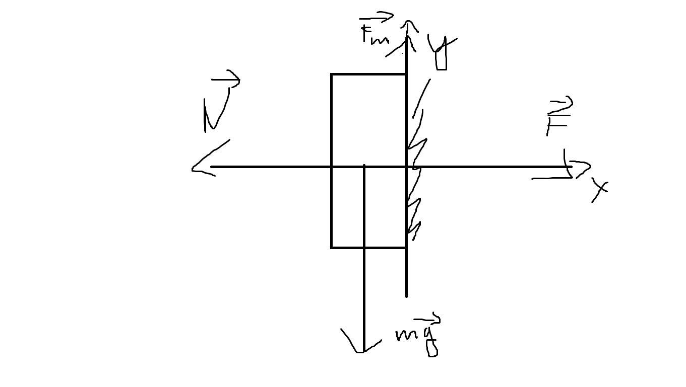
Дано
m=0.4kg
F=0.005*10^3H=5H
μ-?
N+mg+F+Fтр=0
OX=F-N=0
N=F
OY:Fтр-mg=0
Fтр=mg
Fтр=μN
μ=Fтр/N=mg/F=4/5=0.8
Приложения:

Cohendd:
Умничка))
Ответ дал:
1
Ответ:
Объяснение:
Дано:
m = 400 г = 0,4 г
F = 0,005 кН = 5 Н
Найти: µ - ?
Согласно второго закона Ньютона :
Fтр + mg + N + F = ma
В проекции на оси координат имеем:
Ох: -N + F = 0 ⇒ N = F
Oy: Fтр - mg = 0 ⇒ Fтр = mg
Fтр = µN = µF ⇒ µF = mg ⇒ µ = (mg)/F
µ = (0,4 * 10)/5 = 0,8
Приложения:

Вас заинтересует
1 год назад
1 год назад
1 год назад
1 год назад
2 года назад
2 года назад
8 лет назад