СРОЧНО,ПОЖАЛУЙСТА
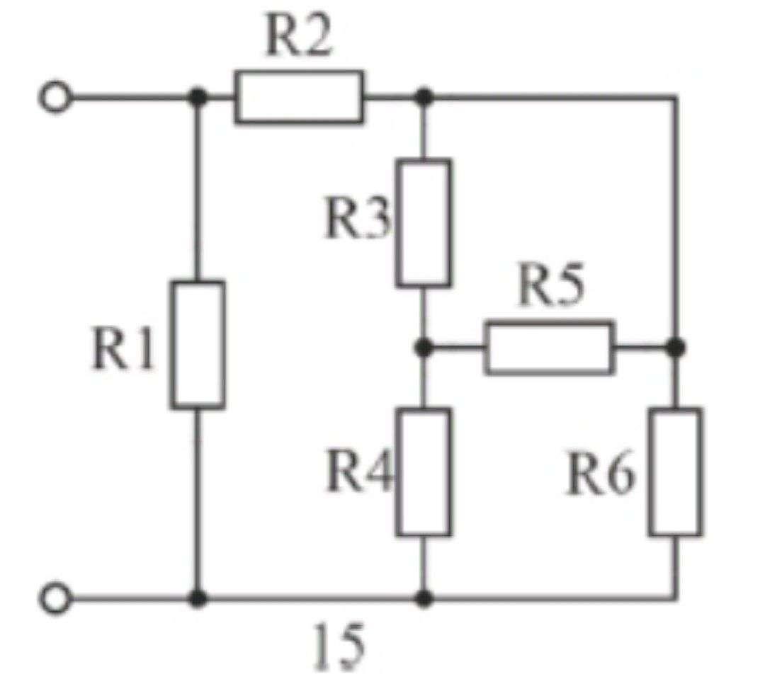
Для схемы электрической цепи изображенной на Рис. 1-15, с учетом данных своего варианта (табл. 1) необходимо выполнить:
методом преобразований (свертки) определить входное сопротивление исходной схемы относительно источника ЭДС и токи во всех ветвях схемы (развертка схемы);
определить входное сопротивление исходной схемы относительно произвольно выбранной ветви без источника ЭДС (в ветви, где находится источник ЭДС, остается только сопротивление, а сам источник ЭДС закорачивается).
Исходные данные: Uвх=50 В
а=5, b=2, c=6, k=2, m=2;
• номер схемы для расчета равен номеру студента по журналу №ст , если номер по списку в журнале больше 15, то номер схемы для расчета равен (№ст – 15);
• сопротивление R1=10(1+k), [Ом];
• сопротивление R2=10(1+|c–k|), [Ом];
• сопротивление R3=10(1+|a–m|), [Ом];
• сопротивление R4=10(2+k), [Ом];
• сопротивление R5=10(2+|c–k|), [Ом];
• сопротивление R6=10(2+|a–m|), [Ом].
Нужно письменное решение и с рисунком
Приложения:

Ответы
Ответ дал:
0
Ответ:
ема как вы это делаете.Я помогу вы можете написать и еще в плей маркете помощники учебы и потом какие то приложение выходит и там они вам помогут
Вас заинтересует
1 год назад
1 год назад
1 год назад
1 год назад
2 года назад
2 года назад
8 лет назад
8 лет назад