• Предмет: Физика
  • Автор: olga300982
  • Вопрос задан 10 лет назад

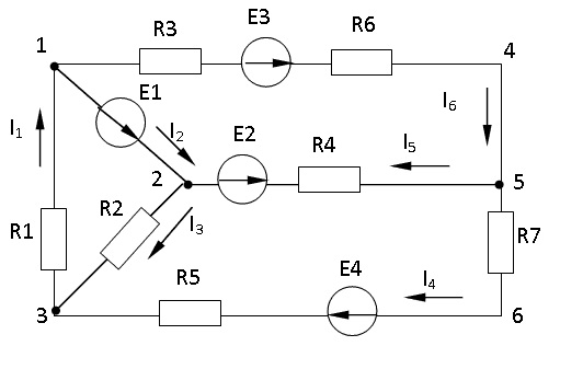
Составьте уравнения по первому закону Кирхгофа для узла 2

Приложения:

Ответы

Ответ дал: Аноним
0
I5 + I2 - I3 = 0
--------------------------------
Вас заинтересует