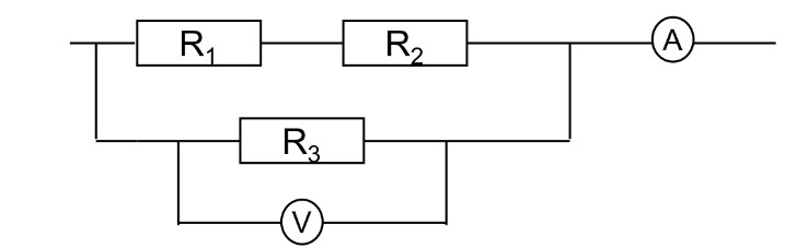
Три сопротивлении по 10 Ом каждое включены как показано на рис. Показание амперметра 0,9А, вольтметра 6В. Найдите: а) Общее сопротивление б) Силу тока и напряжения на каждом участке.
Приложения:
Ответа на этот вопрос пока нет. Попробуйте найти его через форму поиска.
Вас заинтересует
3 года назад
3 года назад
8 лет назад
8 лет назад
10 лет назад
10 лет назад
11 лет назад