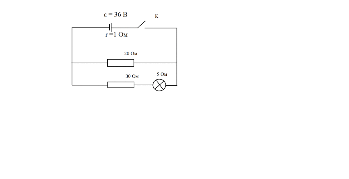
Дано :
R1 =20 Ом
R2=30 Ом
r =1 Ом
R(сопротивеление лампочки в цепи)=5 Ом
E(напряжённость)=36 B
найти I(сила тока)-? U1(напряжение 1)-?
U2(напряжение два.)-?
есть ответы I=1 А, U1=35 ,В U2=5В.
как решить ? помогите. завтра контрольная.
Ответы
Ответ дал:
0
Может на схеме R1 – сопротивление вольтметра,
и там 20 кило Ом, то все сходится с ответом.
Приложения:

Ответ дал:
0
не знаю может. просто доска сбоку висит. плохо видно было
Вас заинтересует
2 года назад
2 года назад
8 лет назад
8 лет назад
10 лет назад
10 лет назад
10 лет назад