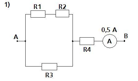
Определите общее сопротивление цепи и напряжение на концах участка AB, если R1 = 4 Ом, R2 = 6 Ом, R3 = 15 Ом, R4 = 4 Ом.
Приложения:
Ответы
Ответ дал:
0
R1.2=R1+R2=4+6=10 Ом
1/R1.2.3=1/R1.2+1/R3=1/10+1/15=0.1+0.067=0.167 R1.2.3=1/0.167=5.988≈6 Ом
R1.2.3.4=R1.2.3+R4=6+4=10 Ом
Rобщ=10 Ом
U=I*Rобщ=0.5*10=5 В
если ответ лучший отметь
1/R1.2.3=1/R1.2+1/R3=1/10+1/15=0.1+0.067=0.167 R1.2.3=1/0.167=5.988≈6 Ом
R1.2.3.4=R1.2.3+R4=6+4=10 Ом
Rобщ=10 Ом
U=I*Rобщ=0.5*10=5 В
если ответ лучший отметь
Вас заинтересует
3 года назад
3 года назад
11 лет назад
11 лет назад
11 лет назад