СРОЧНО ПЛИЗ !!!!(¬A¬B¬C)v(¬A¬BC)v(¬AB¬C)v(A¬B¬C)
СРОЧНО ПЛИЗ !!!!(¬A¬B¬C)v(¬A¬BC)v(¬AB¬C)v(A¬B¬C)
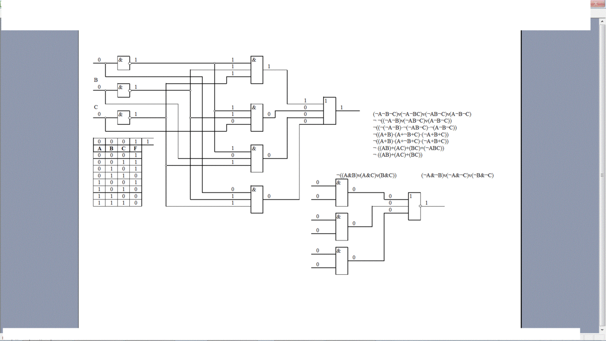
Помогите упростить ... только поэтапно (через куб, круги Эйлера и табл
не надо, через них и так получаться ) законы тоже не надо объяснять
просто поэтапное упрощение ...
Ответы
Ответ дал:
0
После упрощения получим:
¬((A&B)v(A&C)v(B&C))
Знак ¬ означает отрицание, логическое не
Лист Excel позволяет проверить правильность логики.
Лист защищен без пароля, чтобы случайно не повредить формулы
¬((A&B)v(A&C)v(B&C))
Знак ¬ означает отрицание, логическое не
Лист Excel позволяет проверить правильность логики.
Лист защищен без пароля, чтобы случайно не повредить формулы
Приложения:

Вас заинтересует
2 года назад
7 лет назад
7 лет назад
10 лет назад