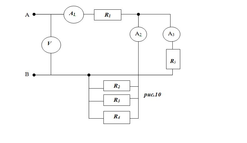
Пять одинаковых сопротивлений соединены по схеме
(рис. 10) Напряжение в сети 12В, показание амперметра 0,8 А. Определить
эквивалентное сопротивление и показания второго и третьего амперметров.
Приложения:

Ответа на этот вопрос пока нет. Попробуйте найти его через форму поиска.
Вас заинтересует
2 года назад
2 года назад
10 лет назад
10 лет назад