найти сопротивление цепи,изображенной на рисунке, если каждое из сопротивлений равно 1 Ом
Приложения:
Ответы
Ответ дал:
0
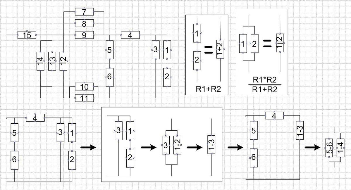
Во вложении - нумерация резисторов и иллюстрация к методу расчета путем последовательной замены резисторов их эквивалентным сопротивлением.
Для сокращения записи введем обозначения.
Параллельное соединение Ri и Rj будем обозначать Ri+Rj, а параллельное соединение обозначим как Ri || Rj. В обозначении эквивалентного сопротивления будем использовать записанные через дефис номера меньшего и большего из замененных эквивалентом резисторов. Надеюсь, что картинка во вложении дополнит изложенное.
Расчет начинаем от точек, наиболее удаленных от места, где должно находиться эквивалентное сопротивление.


Для сокращения записи введем обозначения.
Параллельное соединение Ri и Rj будем обозначать Ri+Rj, а параллельное соединение обозначим как Ri || Rj. В обозначении эквивалентного сопротивления будем использовать записанные через дефис номера меньшего и большего из замененных эквивалентом резисторов. Надеюсь, что картинка во вложении дополнит изложенное.
Расчет начинаем от точек, наиболее удаленных от места, где должно находиться эквивалентное сопротивление.
Приложения:
Вас заинтересует
3 года назад
3 года назад
8 лет назад
8 лет назад
11 лет назад
11 лет назад