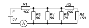
Вычислить эквивалентное сопротивление и ток в
электрической цепи. Номиналы резисторов приведены в Омах.
Приложения:

Ответа на этот вопрос пока нет. Попробуйте найти его через форму поиска.
Вас заинтересует
2 года назад
7 лет назад
10 лет назад
10 лет назад
10 лет назад