• Предмет: Физика
  • Автор: gdww
  • Вопрос задан 10 лет назад

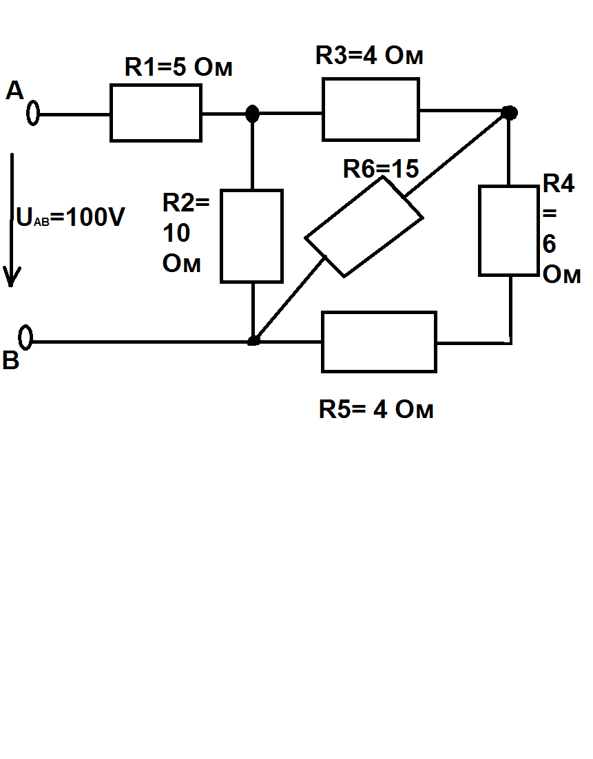
Найти напряжение для каждого резистора

Приложения:

Ответы

Ответ дал: IUV
0
U1=50
U2=50
U3=20
U6=30
U4=18
U5=12






Вас заинтересует