Помогите разобраться в задаче. Квадрат длиной 120 см . Как разрезать прямоугольник длиной 90 см и шириной 160 см так что бы получился этот квадрат
Приложения:
Ответы
Ответ дал:
0
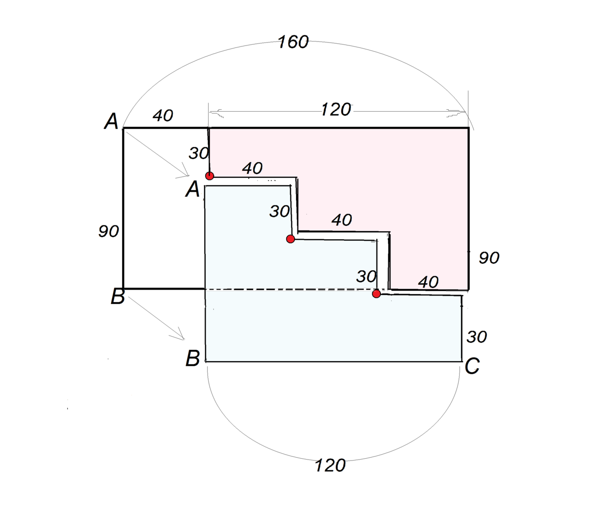
Прямоугольник нужно разрезать ступеньками.
По длине отложить 40 см и 120 см.
От 40 вниз - 30 см. Сделать 3 таких ступени, по горизонтали 40 см, по вертикали - 30 см.
Затем получившиеся части сложить, сдвинув одну из них вниз и вправо. . Получится квадрат размером 120см ×120 см
На приложенном рисунке это наглядно видно.
По длине отложить 40 см и 120 см.
От 40 вниз - 30 см. Сделать 3 таких ступени, по горизонтали 40 см, по вертикали - 30 см.
Затем получившиеся части сложить, сдвинув одну из них вниз и вправо. . Получится квадрат размером 120см ×120 см
На приложенном рисунке это наглядно видно.
Приложения:
Вас заинтересует
3 года назад
3 года назад
8 лет назад
8 лет назад
11 лет назад