В одной закрытой коробке находится электрическая лампа для карманного фонаря, в другой — резистор. Определить, в какой коробке находится лампа.
Приборы и материалы: источник тока, две коробки с выводами, реостат, миллиамперметр, два милливольтметра, соединительные провода.
Ответы
Ответ дал:
0
я бы поступил следующим образом
известно что нить накаливания лампочки состоит из тугоплавкого металла вольфрама, сопротивление которого существенно зависит от температуры нити накала
при низком напряжении на лампочке ток минимален, температура нити накала близка к комнатной, сопротивление нити накала низкое
при повышении напряжении на лампочке ток растет, растет выделяемое тепло, растет температура нити накала , сопротивление нити накала увеличивается
резисторы изготавливают из материала, чей ТКС (температурный коэффициент сопротивления) близок к нулю
поэтому при увеличении напряжения на резисторе сопротивление изменяется незначительно
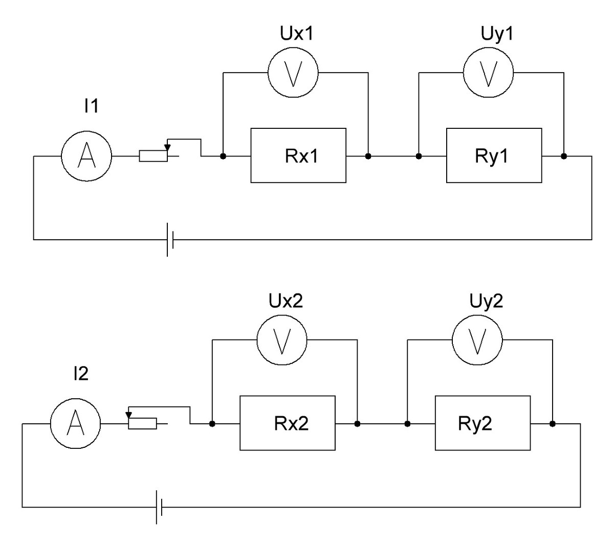
достаточно собрать схему см ниже и сделать два замера
пусть имеются 2 коробки Х и У
в каждой из них неизвестное сопротивление Rx или Ry
1) при ползунке реостата на максимуме измерить ток I1 и напряжения Ux1 и Uy1
2) при ползунке реостата на минимуме измерить ток I2 и напряжения Ux2 и Uy2
теперь вычислить сопротивления
вычислить Rx1=Ux1/I1 - сопротивление ящика X при малом токе
вычислить Ry1=Uy1/I1 - сопротивление ящика У при малом токе
вычислить Rx2=Ux2/I2 - сопротивление ящика X при большом токе
вычислить Ry2=Uy2/I2 - сопротивление ящика У при большом токе
осталось сравнить, какое из сопротивлений изменилось сильнее (сильнее выросло)
если Rx2 >> Rx1 а Ry2 ~ Ry1 - то лампочка в ящике X
если Ry2 >> Ry1 а Rx2 ~ Rx1 - то лампочка в ящике Y
**************
вариантов схемы может быть много
например можно измерять собрать раздельно 2 разные схемы для каждой из коробок
известно что нить накаливания лампочки состоит из тугоплавкого металла вольфрама, сопротивление которого существенно зависит от температуры нити накала
при низком напряжении на лампочке ток минимален, температура нити накала близка к комнатной, сопротивление нити накала низкое
при повышении напряжении на лампочке ток растет, растет выделяемое тепло, растет температура нити накала , сопротивление нити накала увеличивается
резисторы изготавливают из материала, чей ТКС (температурный коэффициент сопротивления) близок к нулю
поэтому при увеличении напряжения на резисторе сопротивление изменяется незначительно
достаточно собрать схему см ниже и сделать два замера
пусть имеются 2 коробки Х и У
в каждой из них неизвестное сопротивление Rx или Ry
1) при ползунке реостата на максимуме измерить ток I1 и напряжения Ux1 и Uy1
2) при ползунке реостата на минимуме измерить ток I2 и напряжения Ux2 и Uy2
теперь вычислить сопротивления
вычислить Rx1=Ux1/I1 - сопротивление ящика X при малом токе
вычислить Ry1=Uy1/I1 - сопротивление ящика У при малом токе
вычислить Rx2=Ux2/I2 - сопротивление ящика X при большом токе
вычислить Ry2=Uy2/I2 - сопротивление ящика У при большом токе
осталось сравнить, какое из сопротивлений изменилось сильнее (сильнее выросло)
если Rx2 >> Rx1 а Ry2 ~ Ry1 - то лампочка в ящике X
если Ry2 >> Ry1 а Rx2 ~ Rx1 - то лампочка в ящике Y
**************
вариантов схемы может быть много
например можно измерять собрать раздельно 2 разные схемы для каждой из коробок
Приложения:

Вас заинтересует
2 года назад
7 лет назад
10 лет назад
10 лет назад