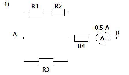
Определите общее сопротивление цепи и напряжение на концах участка AB, если R1 = 4 Ом, R2 = 6 Ом, R3 = 15 Ом, R4 = 4Ом. I=0,5 Найти R-?,U-?,P1,P2,P3,P4-?
Приложения:

Ответа на этот вопрос пока нет. Попробуйте найти его через форму поиска.
Вас заинтересует
2 года назад
7 лет назад
7 лет назад
9 лет назад
10 лет назад