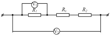
Определить сопротивление резистора Rx, если в цепи, изображенной на рисунке, первый вольтметр показывает 20 В, а второй 60 В. R1 = 40 Ом; R2 = 8 Ом.
Варианты ответов:А) 36 Ом
B) 24 Ом
C) 72 Ом
D) 18 Ом
E) 88 Ом
Можно с подробным решением!!
Приложения:
Ответы
Ответ дал:
0
якби все логічно тема 9 класу послідовне зєднання.
Приложения:
Вас заинтересует
3 года назад
3 года назад
7 лет назад
7 лет назад
10 лет назад
10 лет назад
10 лет назад