Ответы
Ответ дал:
1
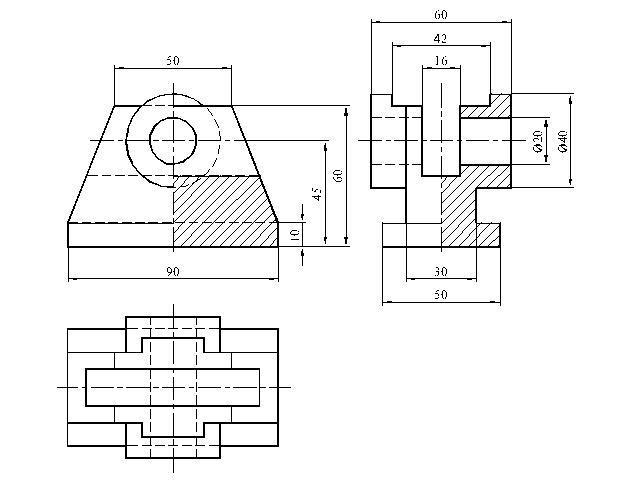
Из-за отсутствия многих линий чертеж было трудно прочитать.
Ваш чертеж должен выглядеть, как на первом моем чертеже и сечения указывать не нужно. На главном виде и на виде слева сделаны вырезы 1/4 детали - они и заменяют сечения А-А и Б-Б.
А, если хотите сечения А-А и Б-Б, то смотрите второй чертеж.
Ваш чертеж должен выглядеть, как на первом моем чертеже и сечения указывать не нужно. На главном виде и на виде слева сделаны вырезы 1/4 детали - они и заменяют сечения А-А и Б-Б.
А, если хотите сечения А-А и Б-Б, то смотрите второй чертеж.
Приложения:
Вас заинтересует
2 года назад
2 года назад
2 года назад
2 года назад
3 года назад
3 года назад
9 лет назад
9 лет назад