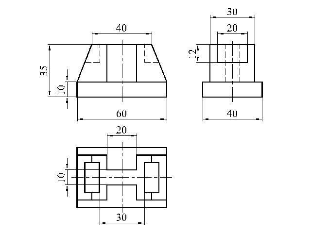
Постройте по аксонометрической проекции рис 5.13 три вида детали

Приложения:

Ответы

Ответ дал: Букса
2

++++++++++++++++++++++++++++++++++++++++

Приложения:
Вас заинтересует