Ответы
Ответ дал:
1
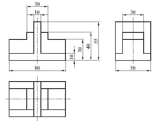
Добавила один размер, т.к. он отсутствует в Вашем задании, поэтому изменила и размер 45 мм на 55 мм.
Приложения:


dudurudun:
Спасибо)))
Вас заинтересует
1 год назад
1 год назад
2 года назад
2 года назад
3 года назад
3 года назад
8 лет назад