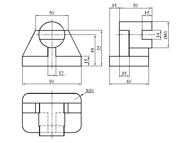
Построить чертёж в 3 видах; Спереди, сверху и слева.Срочнооооо!!!!!!
Помогите пожалуйста!!!!
Приложения:

Ответы
Ответ дал:
0
Ответ:
Объяснение:
+++++++++++++++++++++++++++
Приложения:

Вас заинтересует
1 год назад
1 год назад
2 года назад
3 года назад
8 лет назад
8 лет назад