СРОЧНО. ДАЮ 50 БАЛЛОВ
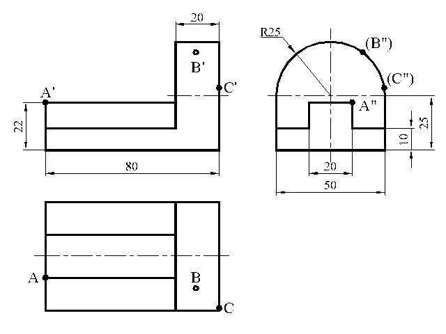
по данному виду и наглядному изображению детали постройте еще два вида очерченных габаритными рамками. На всех видах чертежах постройке проекцию точек А, В, С. Угольник. Сталь.
Приложения:

Ответы
Ответ дал:
4
Ответ:
Объяснение:
Обозначение точек в скобках говорит о том, что на данном виде эти точки не видны.
Приложения:

Вас заинтересует
1 год назад
1 год назад
1 год назад
3 года назад
3 года назад