• Предмет: Физика
  • Автор: roman34658721
  • Вопрос задан 2 года назад

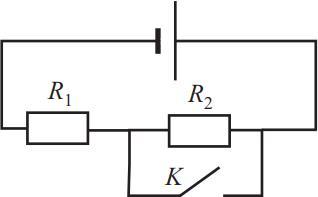
На рисунке изображена электрическая цепь, состоящая из источника тока, резисторов R1, R2 и ключа K. Как изменятся сила тока в цепи и общее сопротивление цепи, если ключ K замкнуть? Для каждой величины определите соответствующий характер изменения:

Физические величины Характер изменения
A) Сила тока в цепи
Б) Общее сопротивление цепи 1) увеличится
2) уменьшится
3) не изменится
Запишите выбранные цифры для каждой физической величины. Цифры в ответе могут повторяться.

Приложения:

Ответы

Ответ дал: murynmyroslav
3

Відповідь:

Пояснення:

А) Сила тока в цепи 1) увеличится;

Б) Общее сопротивление цепи 2) уменьшится.


roman34658721: Это точно? 100%?
murynmyroslav: Точно! 100%!!!
vasyael: всё ок!
Вас заинтересует