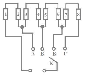
На рисунке изображён ступенчатый реостат, в котором сопротивление всех резисторов одинаково и равно 9 Ом каждый.
Найди сопротивление включённой части реостата, если подвижный контакт К соединить с точкой В.
Приложения:
Ответы
Ответ дал:
0
54 Ом.
Когда ключ соединят с точкой B, через резисторы 7 и 8 тока не будет, то есть про них можно просто забыть. Остальные 6 резисторов собраны последовательно, значит общее сопротивление будет определяться их суммой: 54 Ом.
Когда ключ соединят с точкой B, через резисторы 7 и 8 тока не будет, то есть про них можно просто забыть. Остальные 6 резисторов собраны последовательно, значит общее сопротивление будет определяться их суммой: 54 Ом.
Вас заинтересует
2 года назад
2 года назад
3 года назад
3 года назад
9 лет назад
10 лет назад