• Предмет: Физика
  • Автор: kostia28112005
  • Вопрос задан 8 лет назад

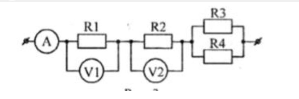
Вольтметр V2 показує 8В. Резистори R1=6Ом R2=2Ом R3=R4= 8Ом. Знайти
покази
А
V1
загальний опір R​

Приложения:

Ответа на этот вопрос пока нет. Попробуйте найти его через форму поиска.

Вас заинтересует