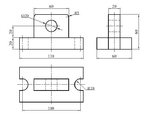
кто поможет начертить деталь в трех видах пожалуйста

Приложения:

Ответы

Ответ дал: Букса
1

Ответ:

Объяснение:

+++++++++++++++++++

Приложения:

sahinmahkamov: спасибо
Букса: Удачи!
Вас заинтересует