помогите, пожалуйста, с черчением, 9 класс.

Приложения:

Ответы

Ответ дал: RTA1414
0

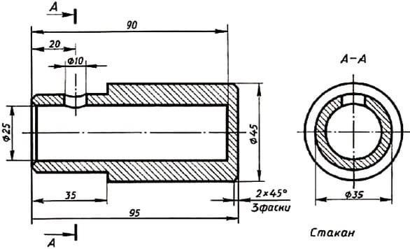
Ответ:

1) Стакан

2) Металл

3) 1:1 (натуральная величина)

4) Вид спереди и профильный разрез

5) Два цилиндра с разными  диаметрами оснований и разной высоты.

6) Общая форма детали представляет собой совокупность двух цилиндров, имеющих одну ось симметрии. Меньший цилиндр имеет  меньшую длину. Оба цилиндра имеют наружные фаски. Внутри двух цилиндров вдоль оси, начиная от внешней границы меньшего цилиндра, проходит цилиндрическое не сквозное отверстие с наружной фаской. Сверху в меньшем цилиндре просверлено небольшое  вертикальное цилиндрическое отверстие до пересечения с внутренним продольным отверстием.

6) Габаритные размеры меньшего цилиндра: 35х35х35.

Габаритные размеры большего цилиндра: 95х45х45.

Размеры продольного отверстия: 90х25х25.

Размеры вертикального отверстия: 5х10х10.

Вас заинтересует