Ответы
Ответ дал:
1
Ответ:
Объяснение:
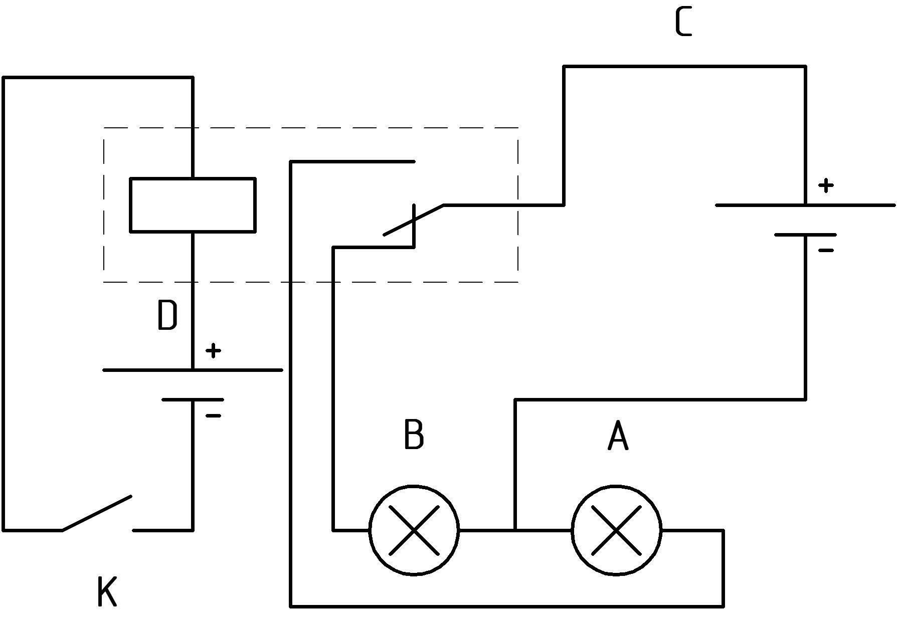
1. на рисунке
2. при замыкании ключа сработает реле, и плюс с источника питания пойдет не на лампу В а на лампу А, в результате чего лампа В потухнет, а лампа А засветится
3. Зависит от времени когда проводятся замеры, если ключ разомкнут то в проводе Д нет тока и нам не известно напряжение батарей и сопротивление ламп накаливания и катушки реле, но можно предположить что сопротивление ламп меньше реле и напряжение для их питания нужно больше то сила тока в проводнике С больше чем в Д
4. провода выходящие с реле на лампы поменять местами.
Приложения:

Вас заинтересует
2 года назад
2 года назад
2 года назад
7 лет назад
7 лет назад