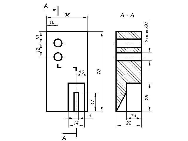
заменить вид слева разрезом а-а
Приложения:
dnepr1:
Штриховые линии заменить на сплошные и добавить штриховку в сечении.
Ответы
Ответ дал:
3
Ответ:
Объяснение:
++++++++++++++++
Приложения:
здравствуйте помогите пожалуйста с заданием, задание в профиле
Вас заинтересует
2 года назад
3 года назад
3 года назад
9 лет назад
9 лет назад
10 лет назад
10 лет назад