• Предмет: Физика
  • Автор: 1g2h
  • Вопрос задан 7 лет назад

90 БАЛЛОВ
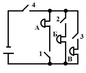
1) При замыкании ключа 1 звонок А ...
2) При замыкании ключа 3 и размыкании ключа 1 звонок А ...
3) При одновременном замыкании ключа 3 и ключа 1 звонок А ...
(Звонит / не звонит)

Приложения:

Ответы

Ответ дал: godmorningstar379
1

Ответ: 1) Не зазвонит ибо цепь не замкнута, из за того что не замкнут ключ 4.

2) Не зазвонит т.к не замкнут ключ 4.

3) Точно также, ибо все упирается в 4 ключ.

Объяснение: Из любых предложеных вариантов не один звонок не заработает, так как в цепи не будет электрического тока потому что ключ 4 не замкнут.

Вас заинтересует