• Предмет: Физика
  • Автор: cvd9nxcpcx
  • Вопрос задан 7 лет назад

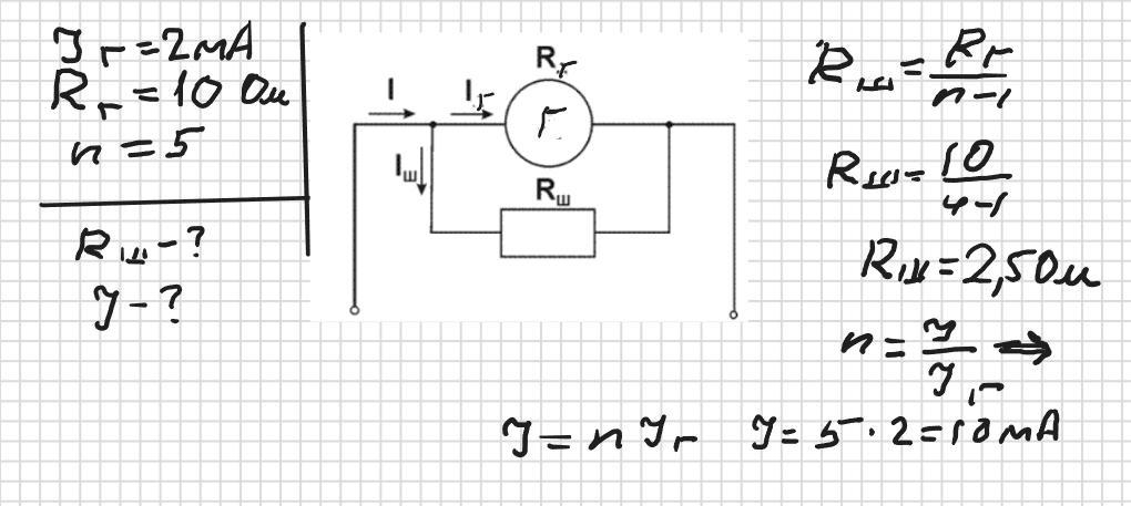
Максимальний струм гальванометра 2 мА. Чому рівний опір шунта при збільшенні величини границі вимірювання в 5 раз? Опір гальванометра Rг=10 Ом. На який струм розрахований прилад тепер? Складіть схему прилада.


zybkov1950: Вибачаюсь за описку: замість "4-1" слід писати "5-1"

Ответы

Ответ дал: zybkov1950
1

Ответ: 2,5 Ом            10 мА

Объяснение:

Приложения:

zybkov1950: Вибачаюсь за описку: замість "4-1" слід писати "5-1"
cvd9nxcpcx: Дуже дякую
Вас заинтересует