• Предмет: Физика
  • Автор: Аноним
  • Вопрос задан 2 года назад

УВАГАА!!! ПЖЖ ДАЮ 100Б
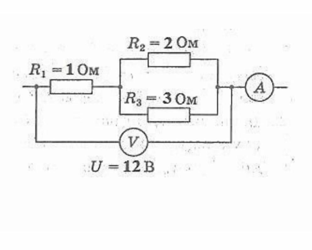
Обчислити силу струму в колі, що зображене на малюнку:
ФОТО​

Приложения:

Ответы

Ответ дал: kateskurya14
0

Ответ:

На фото

Объяснение

эх,помню с 7 по 9 класс рыдала на физике потому что ничего не понимаю,а потом решила что хочу поступить на программиста и с английским всё очень туго. Решила сдавать физикую В 10 классе начала ходить к репетитору,за первый месяц карантина прошла программу 7 и 8 класса,а потом поняла что ничего не понимаю в этой вашей проге. на одной из пьянок мимо моей компании проходило 2 чела и один кричит на всю улицу"б*я,сейчас бы пива",я не расстерялась,кринкула вслед"жиза",они подошли к моей компании,мы разговорились и один из челов начал спрашивать есть ли среди нас те,кто в ближайшее время будет поступать,я сказала что я,чел сказал типо"йоу,поступай в каразина на прифиз,там круто и не еб*т ни за что* ,я сказала йоу,крутая идея,Я как раз хожу к репу по физике,он спросил к какому,Я ответила,оказалось что он учился у этой преподавательницы тоже и ненавидел ее всем сердцем,я рассказала как довела ее до слез,мы посмеялись и я поехала домой тк уже было поздно.позже мой мч сказал"блин,крутые ребята,Я бы с ними пообщался",я быстро откопала их инст и скинула их ему. позже мы расстались и я начала общаться со вторым челом,он сказал что ему 15(мне было 16),я подумала что норм,общибельно,мы гуляли с ним в одной компании весь август,я познакомилась с его лучшим другом и резко тот чел начал пропадать.от его лучшего друга я узнала что у него появилась девушка и потом мы виделись от силы пару раз по городу.а потом я узнала что он наврал мне про свой возраст и он только окончил 8 класс :). далее он пропадает на год и в августе 2022 пишет"йоу,когда на донбасс приедешь?"я как раз на днях собиралась ехать домой,но увы не получилось,он опять пропал. после он пишет мне за день до моего др и начинает опять общаться со мной(он не знал когда у меня др,не суть). мы договорились что когда я приеду(ехала я спустя 3 дня после др) мы отпразднуем наши дршечки вместе.ехать я должна была на неделю,в итоге осталась на месяц.в итоге он должен был уезжать из страны и я решила что терять нечего и поехала в киев(учусь в кпи,не суть),потом его планы оборвались и он до сих пор сидит дома,думаю приехать обратно,но матушка не пускает потому что город прифронтовой(хотя сама там сидит).вот такая вот история про мою первую безответную любовь.

Приложения:
Вас заинтересует