Ответы
Ответ дал:
0
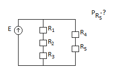
Поскольку через R5 протекает ток
i = E/(R4 + R5)
то рассеиваемая мощность (P = i²R5)
будет
P = R5*E²/(R4 + R5)²
i = E/(R4 + R5)
то рассеиваемая мощность (P = i²R5)
будет
P = R5*E²/(R4 + R5)²
Вас заинтересует
2 года назад
2 года назад
8 лет назад
8 лет назад
10 лет назад
11 лет назад